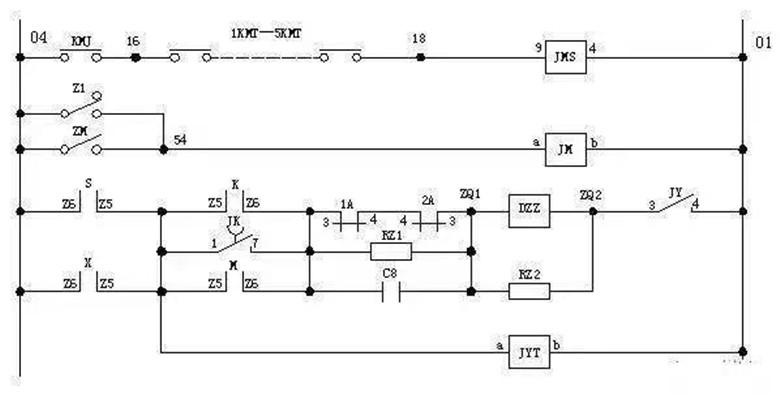
1、原理圖

2、原理說明
門鎖JMS:
在每道廳門和轎門上都設有門電氣聯鎖觸點,只有當全部門關閉好后,所有門電氣聯鎖聯點閉合,門鎖繼電器JMS吸合,電梯才能運行。
檢修JM:
在轎內和轎內都裝有檢修開關,檢修開關撥至檢修位時,檢修繼電器JM吸合,電梯處于檢修狀態。
抱閘線圈:DZZ
在下列四種狀態下,抱閘線圈得電,制動器打開:
(1)快車上行,即S↑、K↑。
(2)快車下行,即X↑,K↑。
(3)慢車上行,即S↑,M↑。
(4)慢車下行,即X↑、M↑。
電梯開始運行時,因為1A、2A仍未吸合,它們的常閉觸點把RZ1短路,所以DZZ得以110V直流電壓,電梯啟動后經過一段時間延時,1A吸合,使電阻 RZ1串聯到DZZ線圈中,DZZ兩端電壓下降至70V左右,稱為維持電壓。電容C8的作用是為了DZZ從110V電壓降至維持電壓時有一個過渡的過程, 防止DZZ電壓的瞬變而引起誤動作。電阻RZ2構成DZZ的放電回路。
為了防止電梯從快車K轉換到慢車M時,DZZ有一個斷電的瞬間,所以放入JK延時繼電器,從而保證了制動器不會發生兩次動作。
運行繼電器JYT:
當電梯上行接觸器S或下行接觸器X吸合時,運行繼電器JYT吸合,表示電梯在運行之中。
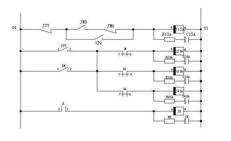
加速與減速延時繼電器
1、原理圖

2、原理說明:
當司機按下方向按鈕啟動關門時,通過JYT、1JQ,使J1SA吸合,則時通過R1SA給電容C1SA充電,當電梯開始運行時,JYT↓,J1SA并未立 即釋放,C1SA通過R1SA對J1SA放電,使J1SA仍吸合一段時間,所以J1SA是延時釋放繼電器。當J1SA釋放時,一級加速接觸器1A吸合,電 梯經過降壓啟動到一級加速后進入穩速快車狀態(參看運行回路)。
電梯在快車運行狀態時,J2SA、J3SA、J4SA都處于吸合狀態,一旦轉入慢車,M↑→J2SA延時釋放→2A↑→J3SA延時釋放→3A↑→J4SA延時釋放→4A↑,形成1級、2級、3級減速。
在快車轉慢車時,JK也延時延放。
停站觸發與停站回路
1、原理圖

2、原理說明
假如電梯從1樓駛往4樓。J4J吸合。
電梯向上行駛,當隔磁鐵板插入4樓感應器中時,4JZ吸合,停站觸發繼電器JTQ延時釋放。
通過J4J、4JZ、JTQ延時斷開觸點(1、7),接通停站繼電器JT,電梯進入減速停站。
停站觸發繼電器JTQ的延時時間較好在0.1秒以下,它的作用是為了保證電梯到達某樓層后,不再響應該樓層發出的停車指令。比如你在電梯在開往四樓中,途 經3樓時再輸入3樓指令,電梯將只記憶該3樓指令,而不應答停車。如果JTQ的延時時間過長,則有可能答應這個停車指令,而此時減速距離已不夠,會引起沖 層的現象。
運行、減速、平層
1、原理圖

2、原理說明
快車上行:JQ吸合,使快車接觸器K吸合,(回路1)快車延時繼電器JK吸合,通過已定的方向JKS,使向上運行接觸器S吸合,因為此時1A仍未吸合,所以電梯快車降壓啟動,經過延時,1A吸合,電梯加速,此后達到快車穩速向上運行。
減速:運行到目的層時,JQ釋放,K釋放,M吸合。在K釋放后,S通過(回路2)JK(3、8)--S(1、2)--X(3、4)繼續保持吸合,電梯以慢車向上運行,并通過2A、3A、4A的逐級吸合,進行三級減速制動,此后進入慢車穩速運行。
當JK釋放后,S通過(回路3)JM(13、14)--JMQ(2、8)--M(1、2)--S(1、2)繼續自保。
平層:電梯繼續慢速上行,上平層感應器率先插入樓層隔磁鐵板,這時S可以通過(回路4)JPS(3、8)--JQ(2、8)--JPX(2、8),K(3、4)--JM(13、14)吸合,電梯再上升到門區感應器插入時,回路3斷開,S只通過回路4吸合,當下平層感應器插入時,電梯正好平層,回路4斷開,S釋放,M釋放,電梯停止運行。
顯示回路
1、樓層及方向顯示原理圖

2、指令及召喚信號顯示

轉載電梯服務管家公眾號文章

為更好地搭建企業與高校畢業生之間良性互動的平臺,招才引智,佛山市三水區政府新增認定辛格林電梯(中國)有限公司為三水區?高校畢業生就業實習基地之一。
2020-09-18